





Код товара:
43005Артикул:
PRO4403.02MPN:
PRO4403.02-tbm-gmtНаличие:
Нет в наличии
536 ₽
Цвет
Серебро анодированноеВес
0.670 кгДлина
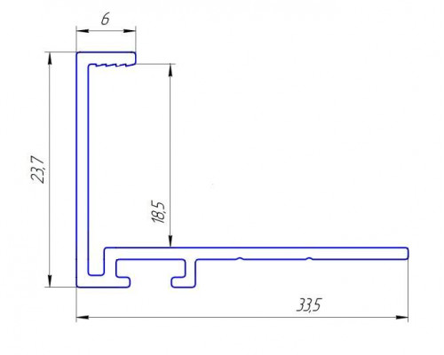
3000 мм1 шт. Торцевой профиль для сборки комбинированных фасадов из плитных материалов толщиной 18 мм. Используется в комплекте с разделительной планкой и профиль ручкой. Окантовочный профиль может применяться отдельно, как декоративное обрамление в вертикальном и горизонтальном исполнении.
Цвет
Серебро анодированное
Параметры
Вес
0.670 кг
Длина
3000 мм
Покрытие
Анодированный
Торговая марка
Россия
Отзывов: 0
Нет отзывов о данном товаре.
Похожие товары
Вы смотрели