Код товара:
38886Артикул:
OTL0019.12MPN:
OTL0019.12-tbm-gmtНаличие:
Есть в наличии
26 ₽
Цвет
СеребристыйВес
0.030 кгЕдиниц в одном товаре
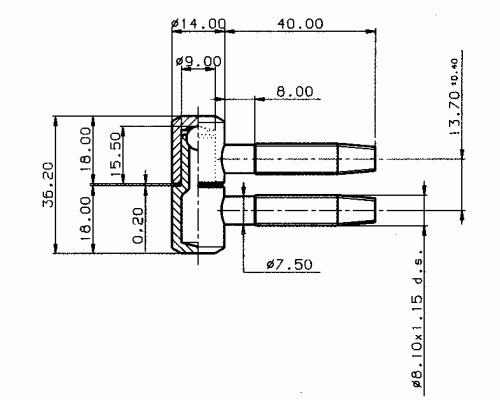
11 шт. рамная часть 2 штыревой ввертной петли OTLAV диаметром 14 мм используется со створочной частью петли артикул OTL0018.12 нагрузка 60 кг для 2 петель цвет: оцинкованный
Цвет
Серебристый
Параметры
Вес
0.030 кг
Единиц в одном товаре
1
Торговая марка
OTLAV
Отзывов: 0
Нет отзывов о данном товаре.
Похожие товары
Вы смотрели